Features
Compact bidirectional SiC MOSFETs
Low output leakage current, IO ≤ 5μA@VDS = 1700V
Low on-resistance, RON(Typ) = 100Ω@IO = 2mA/10mA
Low turn on time: TON ≤ 50μs
Low turn off time: TOFF ≤ 150μs
7V reverse breakdown voltage handling capability
Stretched WB SOIC-12 package (derived from SOIC-16
with 4 pins removed) with ≥ 8.5 mm creepage
Temperature range: -40°C to +125°C
Safety-Related certifications:
﹣VDE certificate number: 40056697
Maximum peak repetitive voltage 1414VPEAK per DIN
VDE V 0884-17:2021-10
﹣UL certificate number: E494497
5000VRMS for 1 min per UL1577
﹣CQC certificate number: CQC23001378118
AEC-Q100 qualified
Applications
Battery/motor/solar panel insulation resistance
measurement/leakage detection
Sensing in high voltage application
Electro-mechanical relay replacement
Inrush current limiter protection

Pai8559EQ 5.0kVRMS Opto-Compatible Isolated Switch
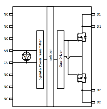
Pai8559EQ is an opto-compatible high-voltage isolated switch
developed based on 2Pai Semi’s unique isolation technology
and mature standard semiconductor CMOS process. The
device contains two SiC MOSFETs with bidirectional withstand
voltage up to 1700V.
The input is isolated from the output by a 5kVRMS isolation
barrier. It integrates a gate driver which controls the opening
and closing of the two MOSFETs on the output. The output
switches are turned on when the input current exceeds 7mA
and turned off when the input voltage is lower than 0.4V.
The device uses a standard wide-body WB SOIC-12 package
that provides 5kVRMS input-output withstand voltage, 10kVPEAK
surge voltage and extremely high reliability
在线客服





