产品中心

Silicon Lab、ADI、TI信号隔离器Pin To Pin替代选型表

π120M31数定隔离芯片可直接替代ADuM1200和ISO7220

π120E61可直接替代ADuM220,ISO7720QD,Si8620ED

π220N31可直接替代ADUM1250,ISO1540,SI8600,ADUM1251

π220N61可直接替代ADUM2250,SI8600AD,ADUM2251,SI8602AD

π110M30可直接替代Si8610,ADuM1100,ISO7710,ADuM110N0

π110M10

π110E31可直接替代ADuM1100,ISO7710,Si8610,ADuM3100,ISO722

π122M30可直接替代ADuM1286,ADuM3211

π122M60可直接替代ADuM2286,ADuM2211

π122M61可直接替代ADuM2281,ISO7521,ADuM2201

π122M31 10Mbps 双通道数字隔离器可直接替代ADuM1201,ADuM1281,ADuM3201,ISO7421

10Mbps 双通道数字隔离器π121M30可直接替代Si8621AB

π120E30双通道数字隔离器可替代ADuM120,ADuM1285,ISO7720,ISO7420

π120E31双通道数字隔离器可替ADuM1200,ADuM1280,ISO7720,ISO7420

π120E60双通道数字隔离器可替代ADuM220,ADuM2210,ISO7720,ISO7820

π122E30 可 Pin To Pin 替代ADuM121N0BRZ;ISO7721FQDQ1 ;Si8622BB-B-IS

4通道MT1401数字隔离器 可Pin To Pin ADUM1401

Pai8131A-SR 可替代IR2103SPBF,BP6903A,SLM2103SCA

Pai8211AQ可替换UCC5350SBQDRQ1,NCV57081CDR2G

Pai8233E可替换UCC21520,Si8233,NSI6602

Pai8253可替换UCC21220,Si8235,NSI6622

Pai8451替换ISO1050,ADM3050,NSi1050

Pai8485 隔离式 半双工/全双工 RS-485 收发器 可替换ISO3082,NSi3085,ADM2481

Pai8301E 增强绝缘隔离放大器 可替换AMC1200BDWVR

Pai8558EQ可替代NSI7258,ASSR-601J,TLX9160T,QCPL-A58JV

π141M61 10Mbps 四通道数字隔离器可替代ADuM1401ARW ADuM1401BRW ADuM2401BRWZ ADuM1411ARWZ-RL ISO7241AMDWREP

π120U31 增强 ESD 功能,3.0kV/5.0kV rms 隔离电压 150kbps 双通道数字隔离器

π122U31 增强 ESD 功能,3.0kV/5.0kV rms 隔离电压 150kbps 双通道数字隔离器

π122U61增强 ESD 功能,3.0kV/5.0kV rms 隔离电压 150kbps 双通道数字隔离器

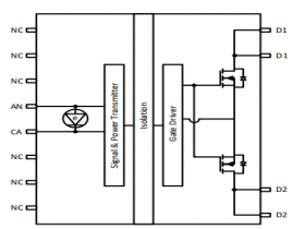
Pai8265AEQ Single Channel Isolated Smart Gate Driver

Pai8263AE Opto-Compatible Single Channel Isolated Smart Gate Driver

Pai8559EQ 5.0kVRMS Opto-Compatible Isolated Switch
在线客服






